Bomba centrífuga monobloco de eixo horizontal fabricada em conformidade com as normas EN 733; amplamente utilizada no aprovisionamento de água, nos sistemas de pressurização e anti-incêndio, arrefecimento, aquecimento, irrigação, aplicações industriais e agrícolas; fornecida com contraflange.
Marca: Pentax
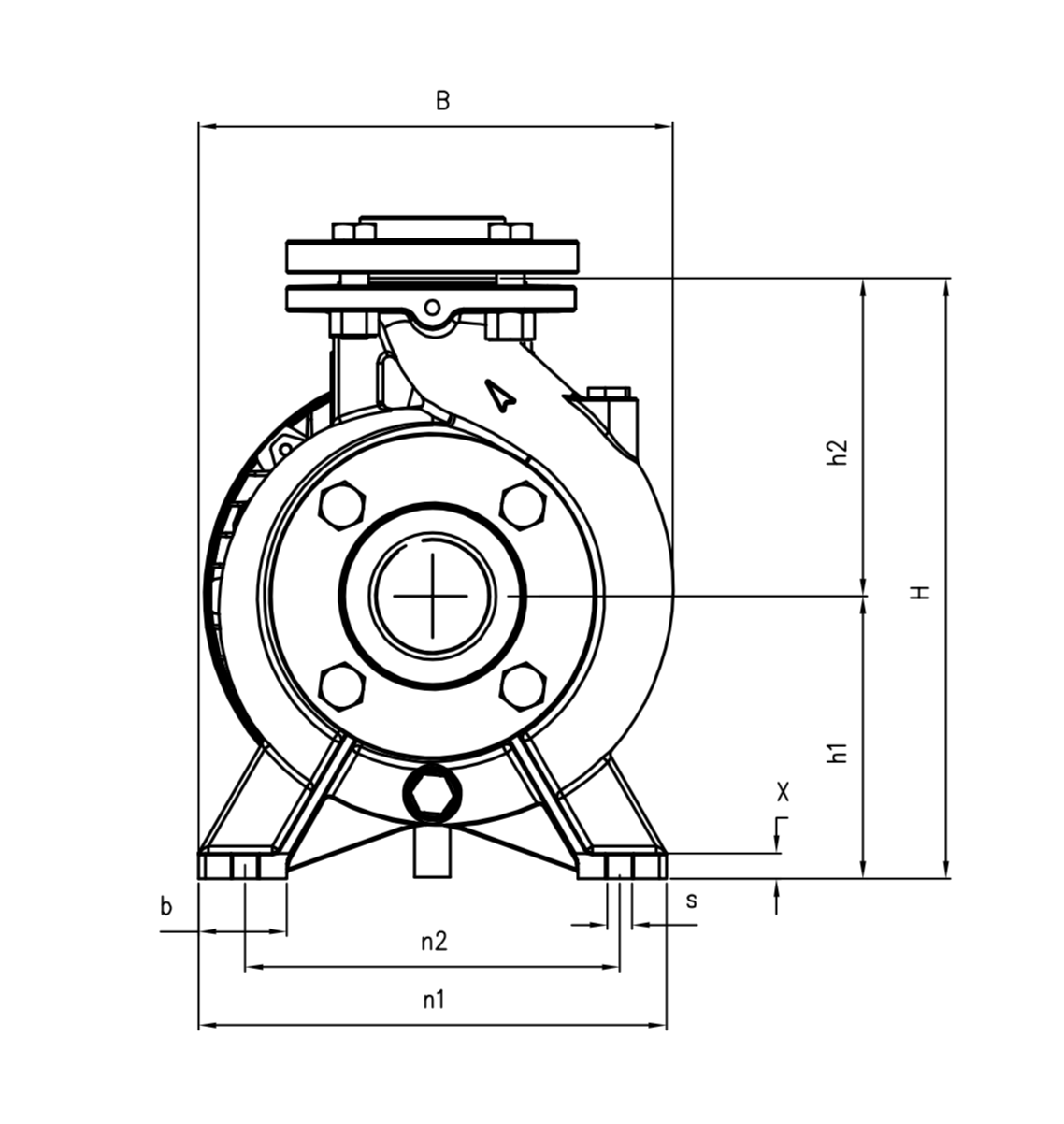
Dimensão (mm): DNa - 65 | DNm - 50 | a - 100 | h1 - 160 | h2 - 180 | m1 - 100 | m2 - 70 | n1 - 265 | n2 - 212 | b - 50 | x - 12 | s - 14 | C - 590 | B - 270 | H - 340
Peso (Kg): 81Kg.
Q (l/min): 1300 - 350
H (m): 37,9 - 22,6
Hmin: 22,6
Hmax: 37,9
Pressão: 10bar
Motor P1: 9,4KW
Motor P2: 7,5KW
Motor: 10Hp
Rpm: 2900
Amperagem: 15,8 - 9,1A
Tensão: 380-415V / 660-720 V
Frequência: 50Hz
Tmax: -10 a 90 °C


