Para águas limpas sem abrasivos, sem sólidos suspensos, não explosivos, não agressivos para os materiais da bomba. Para aumentar a pressão da rede (seguir as especificações locais) Devido às dimensões reduzidas, esta bomba é ideal para montar em equipamentos de arrefecimento, ar condicionado e de circulação.
Marca: Calpeda
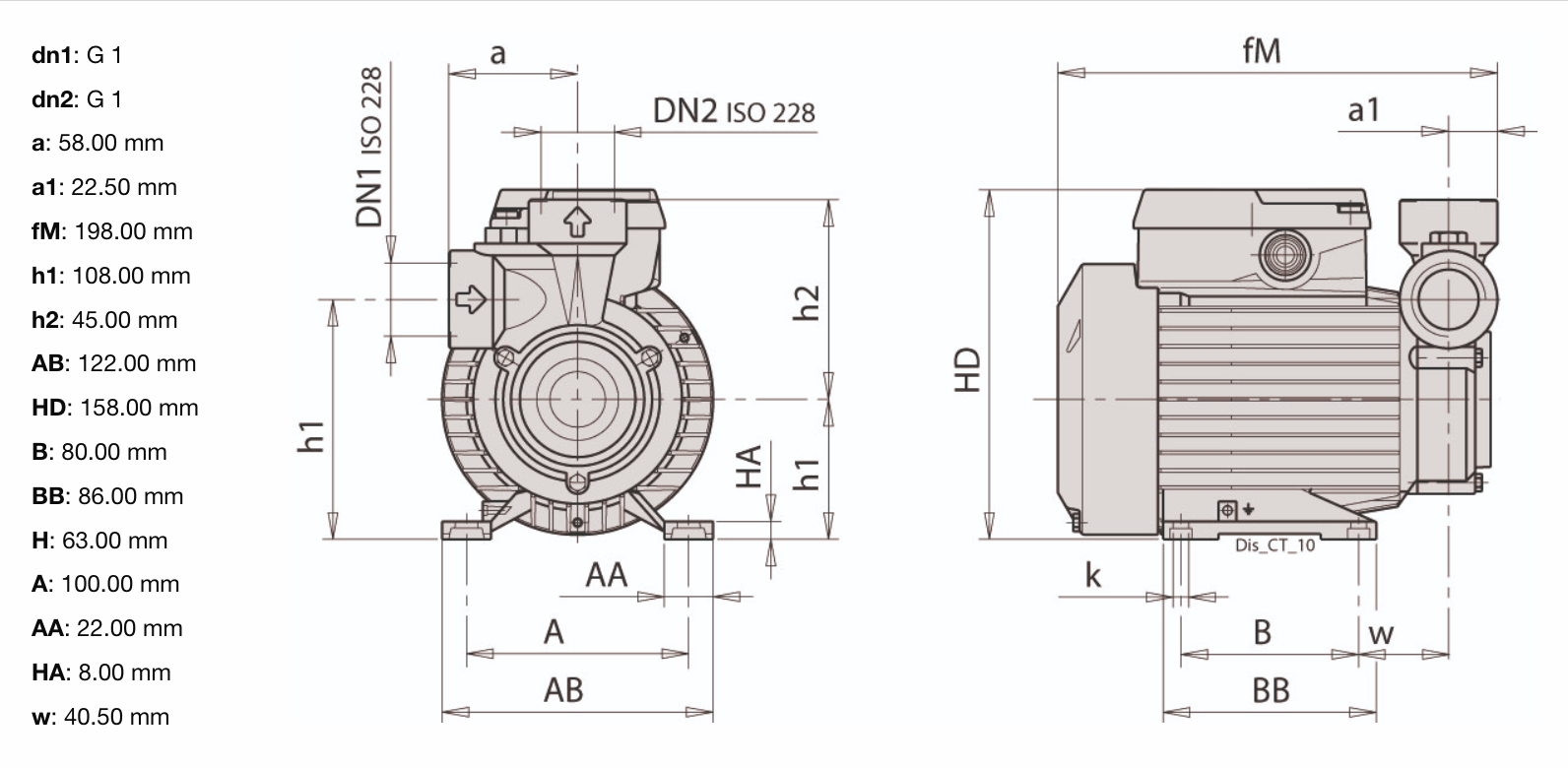
Dimensão (mm): a - 58 | a1 - 22,50 | fM - 198 | h1 - 108 | h2 - 45 | AB - 122 | HD - 158 | B - 80 | BB - 86 | H - 63 | A - 100 | AA - 22 | HA - 8 | w - 40,50
Peso (Kg): 4,85Kg.
Q (m3/h): 2,3 - 0.48
Hmáx.: 41
Hmin.: 5
Rpm: 2900
Entrada / Saída: DNI: 1” | DNA: 1”
Pressão de trabalho: 7,5bar
Motor P1: 0,33 KW
Motor: 0,45Hp
Amperagem: 2,5A
Tensão: 230 V
Frequência: 50Hz
Tmax: 60 °C

